[ВХОД]
17.05.26(02:29)

www.skif.biz

Альтернативная энергия. Оставь надежду, всяк сюда входящий...

🏠 Главная | 📚 Содержание | 💬 Форум | 📁 Файлы | 📩 Контакт
 
Резонансные генераторы
Магнитные генераторы
Механические центробежные (вихревые) генераторы
Электростатические генераторы
Водородные генераторы
Ветро- и гидро- и солнечные генераторы
Прочие идеи (разные)
О форуме
Транспорт
Оружие
Научные идеи, теории, предположения...
Экономия топлива
Коммерческие вопросы
Струйные технологии
Торсионные генераторы
Новые технологии
Барахолка
Патентный отдел
Конструкторское бюро
Нейтронная физика
Торнадо и смерчи
Гравитация и антигравитация
Сделай сам. Советы.
Медицина и здравоохранение

📱 | 🖨️

Форум - Новые технологии - Сделай сам - Аккумуляторная сварка ампер на 200 реально или это миф - Стр:6
<] [ 1 | 2 | 3 | 4 | 5 | 6 | 7 | 8 | 9 | 10 | 11 | 12 | 13 | 14 | 15 | 16 | ... | 18 ] [>
Модератор: asni
Первый пост темы: asni Post: #159627 От:31.01.2009 (18:59)
Бывает такая необходимость электродом 3 мм. заварить бак под воду порванный льдом а только 2 аккумуляторя по 90 ампер/час.Напрямую от аккумуляторов могут бахнуть а самого аппарата нет,помогите если можете вы ведь это можете.
dedivan | Post:160712 - Date: 06.02.09(15:48)
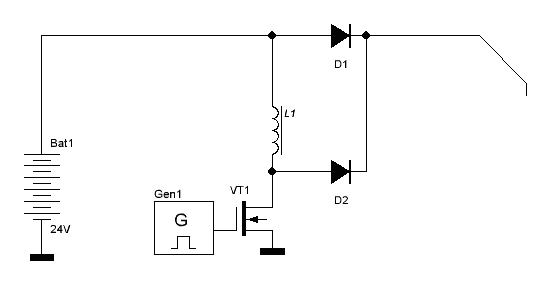
Принципиалка простая - рабочий ток через Д1, если его нет,
то работает повышающий преобразователь, тогда ток через Д2 идет.


Размер: 2.56 KB

_________________
я плохого не посоветую


asni | Post:160749 - Date: 06.02.09(17:50)
Может это и не существенно но генератор включить после Д2 и сдесь же емкость фильтра.Когда ключ замкнут, ток аккум. протекает через дроссель запасая в нем энергию,диод блокирует разряд кондера через ключ ,ток идет только от кондера в нагрузку.При размыкании ключа ЭДС дросселя суммируется с выходным напряжением и энергия дросселя уходит в нагрузку.При этом напряжение вых. больше напряжения входа.В отличии от чоппера,дроссель не является элементом фильтра,а напруга растет и за индуктивности дросселя и скважности ключа.Здесь присутствуют две фазы,фаза заряда дросселя и разряда на нагрузку. По Семенову.

_________________
asni


dedivan | Post:160764 - Date: 06.02.09(18:43)
asni Пост: 160749 От 06.Feb.2009 (14:50) При размыкании ключа ЭДС дросселя суммируется с выходным напряжением и энергия дросселя уходит в нагрузку.


Она всегда суммируется, только не точнее не эдс, а ток самоиндукции.
Поэтому тут все на своих местах.
Как раз для случая 24 вольта, (когда не надо преобразовывать 12в 24)
этот ток достаточно иметь 5-10 ампер, только для поджига и удержания дуги.
В этом случае это все в ручку держака убирается элементарно.

_________________
я плохого не посоветую


asni | Post:160910 - Date: 07.02.09(17:50)
Может быть ,кому интересно,посмотреть на виды аккумуляторной сварки можете спросить на мыло.E-mail:golani@ab.ru

_________________
asni


олег-джан | Post:160914 - Date: 07.02.09(18:14)
Как обещано...подкорректировал цвета маленько...
Сварка от asni
Сварка от asni
Размер: 44.32 KB

_________________
Обьективная реальность-бред,вызванный недостатком алкоголя в крови...


олег-джан | Post:160915 - Date: 07.02.09(18:15)
!
!
!
Размер: 16.32 KB

_________________
Обьективная реальность-бред,вызванный недостатком алкоголя в крови...


олег-джан | Post:160916 - Date: 07.02.09(18:15)
!
!
!
Размер: 20.17 KB

_________________
Обьективная реальность-бред,вызванный недостатком алкоголя в крови...


Pavel1 | Post:160929 - Date: 07.02.09(19:30)


dedivan | Post:160930 - Date: 07.02.09(19:36)
Pavel1 Пост: 160929 От 07.Feb.2009 (16:30)

Только вопросец, а куда дросселек спрятал?


Ну это чуть попозже расскажу про правильный дроссель, который прячется
туда же.
Это давнее изобретение, но в сварщики пока их не знают.

_________________
я плохого не посоветую


олег-джан | Post:160931 - Date: 07.02.09(20:09)
Дед,никак рукоять из стопки тороидов?😶

_________________
Обьективная реальность-бред,вызванный недостатком алкоголя в крови...


tera | Post:160935 - Date: 07.02.09(20:22)
А зачем тогда полевик? в токовых трансах без шунта скачут киловольты. 😕

_________________
“Я есмь и путь, и истина, и жизнь. Никто не приходит к Отцу иначе, кроме как через Я”


олег-джан | Post:160937 - Date: 07.02.09(20:45)
Ну и в догонку....
правка: схема силовой части от модернизированного варианта,два транзистора впараллель...что уже логичней выглядит....

силовая часть
Размер: 32.60 KB

_________________
Обьективная реальность-бред,вызванный недостатком алкоголя в крови...


Pavel1 | Post:160947 - Date: 07.02.09(21:27)


Pavel1 | Post:160949 - Date: 07.02.09(21:32)



олег-джан | Post:160987 - Date: 08.02.09(04:42)
Pavel1-ты тему читаешь или так,два поста скраю?Для чего и почему выложены эти фото и схемки?...
А за удочки-Люфт-Крафта на тебя нет🤢🤢🤢

пост к удалению....

_________________
Обьективная реальность-бред,вызванный недостатком алкоголя в крови...


Pavel1 | Post:160990 - Date: 08.02.09(07:46)


andy8mm | Post:161030 - Date: 08.02.09(11:00)
Pavel1
Стремится сделать в ручке держака не советую по простой причине, облучение прет такое что мало не покажется.
Что-то тут не вяжется, ДедИван всегда предупреждает если где бяка прёт. Наверно дроссель с секретом...
Pavel1, можно выложить фото материалов для
Первичку думаю мотать медной трубкой с продетым внутрь изолированным проводом который и будет служить рекуперационной обмоткой.

Пендик, когда уж фото дросселя покажешь? Лекцию срываешь, ждем твои фотки😊 Или скажи что нет возможности, тогда мы нафотаем все что под руку попадется.

pendik | Post:161032 - Date: 08.02.09(11:07)
Только после показа :
[ссылка]

andy8mm | Post:161036 - Date: 08.02.09(11:16)
😎 Понял, лады. Пошёл я за фотиком, только подскажите, дроссель в сварке это последняя катушка на выходе между понижающим трансом и выводами на провод? Далее спираль которая ток ограничивает, её сварщик в зависимости от электрода переключает(больше-меньше).

pendik | Post:161039 - Date: 08.02.09(11:25)
dedivan Пост: 160223 От 04.Feb.2009 (08:01)
Да, если к теме ближе - там у Володина на сайте большой разговор про инверторы-
конверторы, но они там тоже самое главное упустили- дроссель.

Возьми для примера обычную ЛДС-ку. Ни у кого в трезвом уме не придет идея
запускать её без дросселя.
А ведь зажигается и горит она точно как и дуга, только напряжения чуть другие.
Горение- 100 вольт зажигание -более 600 вольт при этом питание 220вольт.
Так же нужно сначала закоротить цепь стартером, потом индуктивность зажгет разряд.
Токо пьяный неэлектрик может предложить заменить дроссель балластным
сопротивлением. А что? Дроссель тоже балластником называется.

Да, есть способы питания ЛДСок без дросселя, но там надо выполнять все те условия,
которые дроссель выполняет по своей природе.
И кстати хороший дроссель для сварки это непросто. Тем более тиски в качестве
сердечника. Там и железо и феррит нужен.

Пендик обещал показать свой дроссель.
Вот потом на примере рассмотрим как правильно надо.



Мужики! Что с Вами твориться? ВЫ СЕРЬЁЗНО воспринимаете "человека", ставящего знак равенства между дуговым разрядом и тлеющим!?.

ЛДС = тлеющий разряд.
Сварка=дуговой. ДРЛ= дуговои разряд...и ДРЛке похуй, чем ограничен ток, конденсатором, дросселем или резистором=электроплиткой...горит и светит, родимая...главное, чтобы ток не превысил максимально-допустимое значение (меньше можно)

Про дроссель о про всё остальное расскажу и покажу (даже в работе) после показа "великом теоретиком" рабочей электродной сварки от 2 АКБ и фото шва...

(даже не поленюсь снять с авто АКБ и поварить от 24 вольт) моему полуавтомату и мне это без проблем.

andy8mm | Post:161047 - Date: 08.02.09(11:50)
pendik, ну зря ты придираешься к словам. Не для спора, просто краткое отступление, перекур так сказать. Смотри ветку "Попытка мыслить категориями Теслы". Там ДедИван рассказал о
1.Лавинном разряде.(быстрые электрончики)
2.Дуговом разряде.(медленные ионы образующие канал)
Тлеющий разряд описан тут [ссылка]
Формируется как правило при низком давлении газа и малом токе. При увеличении проходящего тока превращается в дуговой разряд...Присоединим электроды к источнику постоянного тока с напряжением несколько тысяч вольт (годится электрическая машина) и будем постепенно откачивать из трубки воздух. При атмосферном давлении газ внутри трубки остаётся тёмным, так как приложенное напряжение в несколько тысяч вольт недостаточно для того, чтобы пробить длинный газовый промежуток. Однако когда давление газа достаточно понизится, в трубке вспыхивает светящийся разряд. Он имеет вид тонкого шнура (в воздухе – малинового цвета, в других газах других цветов), соединяющего оба электрода. В этом состоянии газовый столб хорошо проводит электричество.

При дальнейшей откачке светящийся шнур размывается и расширяется, и свечение заполняет почти всю трубку. При давлении газа в несколько десятых миллиметра ртутного столба разряд имеет типичный вид, схематически изображённый на рис. 1. Различают следующие две главные части разряда: 1) несветящуюся часть, прилегающую к катоду, получившую название тёмного катодного пространства; 2) светящийся столб газа, заполняющий всю остальную часть трубки, вплоть до самого анода. Эта часть разряда носит название положительного столба. При подходящем давлении положительный столб может распадаться на отдельные слои, разделённые тёмными промежутками, так называемые страты.

Описанная форма разряда называется тлеющим разрядом. Почти всё количество света, испускаемого при разряде, исходит от его положительного столба. При этом цвет свечения зависит от рода газа. При тлеющем разряде газ хорошо проводит электричество, а значит, в газе всё время поддерживается сильная ионизация. Причинами ионизации газа в тлеющем разряде являются ионизация электронным ударом и выбивание электронов с катода положительными ионами (вторичная электронная эмиссия с катода).??? Тут невкурил, может правильнее сказать: вылетающими из катода электронами производится ионизация газа?

В настоящее время трубки с тлеющим разрядом находят практическое применение как источник света – газосветные лампы. Для целей оснащения с успехом применяются газосветные лампы, в которых разряд происходит в парах ртути, причём вредное для зрения ультрафиолетовое излучение поглощается слоем фосфоресцирующего вещества, покрывающего изнутри стенки лампы. Фосфоресцирующее вещество начинает светиться видимым светом, который добавляется к собственному свечению паров ртути, давая в результате свет, близкий по характеристикам к дневному свету (газосветные лампы дневного света). Такие лампы не только дают очень приятное “естественное” освещение, но и значительно (в 3-4 раза) экономичнее лампочек накаливания.

image
/180px-NeTube.jpg

олег-джан | Post:161058 - Date: 08.02.09(12:21)
Неее.... так мы ни к чему не придем,каждый куда-то в свою сторону тянет нашу телегу...и ни одной стороны с логическим завершением...итак:

Pavel1-не совсем понял про твой дроссель...а если правильно понял,-то это не в нашу тему маленько,это классические способы исполнения...или я все-таки не вьехал?
Второе-не понял про излучение из рукояти....на питание от 24 в там у нас должен быть флубек на 10-20 А в импульсе,средний ток хорошо,если 1 а будет,т.е. все прекрасно помещается даже на неэкзотических элементах...это при условии,что дроссель поместится туда же,если я прав насчет его конструктива,конечно....в принципе,нам надо порядка 50мкГн на все случаи жизни....
Если это будет питание 12 в,что,мне кажется более актуально для широкого спроса,внимательно смотрим фото выше....схемка там,правда от модернизированного варианта,поставили два 827 впараллель....
И что мы видим даже в первом приближении,перекладывая это на современную элементную базу?Мне лично видится блочёк размером 1-2 сигаретных блока,это без особых изысков в компоновке и комплектации...структура так-же блочная,10-20 отдельных флубеков,чувствовать себя они будут так гораздо вольготно...

pendik-теперь слезно обращаюсь к тебе,коллега.....

При чем здесь дуговой разряд?Дед привел аналогию про способ инициации дуги(любой),при помощи кратковременного замыкания дросселя,т.е.тот же флубек с контактным ключем....а с резистивным балластом мы не получим два в одном...

Спасибо,что выслушали,пока всё....😶😶


п.с. [ссылка]

вот здесь наше детище и появится в первую очередь🤢

_________________
Обьективная реальность-бред,вызванный недостатком алкоголя в крови...


pendik | Post:161119 - Date: 08.02.09(15:57)
олег-джан

Кратковременное Замыкание дросселя "имеет место быть" в любой сварке. только дуга горит и поддерживается не в случае 2 АКБ.

П.С.
"Дед" уже показал себя КРУТЫМ СПЕЦИАЛИСТОМ в области смазочных масел, оказался КЛАССНЫМ слесарем (танковые движки ремонтировал, разбирал), ИМЕЛ толк в области електроники (щупы для осцииллографа с потреблением 100 ват!!!), а также был класным самогонщиком (опустил на деньги своими советами доверчивого человека)....

МОЖЕТ ПОРА ТОРМОЗНУТЬ НЕГОДЯЯ?

олег-джан | Post:161122 - Date: 08.02.09(16:14)
pendik | Post: 161119 Не согласен ни с одним пунктом....извини уж,но создалось впечатление,что я с автоответчиком разговариваю,поэтому отныне постараюсь без комментариев...😕

_________________
Обьективная реальность-бред,вызванный недостатком алкоголя в крови...


dedivan | Post:161123 - Date: 08.02.09(16:14)
Еще сварку гвоздем забыл приплести.

Ладно, понятно, боишься показать свой дроссель с ошибкой из учебника
за третий класс. Как раз наверное курить начал. Вот и боишься теперь
что все узнают.

_________________
я плохого не посоветую


<] [ 1 | 2 | 3 | 4 | 5 | 6 | 7 | 8 | 9 | 10 | 11 | 12 | 13 | 14 | 15 | 16 | ... | 18 ] [>
У Вас нет прав отвечать в этой теме.
Форум - Новые технологии - Сделай сам - Аккумуляторная сварка ампер на 200 реально или это миф - Стр 6
🏠 Главная | 📚 Содержание | 💬 Форум | 📁 Файлы | 📩 Контакт