[ВХОД]

🏠 Главная | 📚 Содержание | 💬 Форум | 📁 Файлы | 📩 Контакт

📱 | 🖨️

Форум - Резонансные генераторы - Проекты Фролова - источник света - Стр:3
<] [ 1 | 2 | 3 | 4 | 5 ] [>
Модератор: AlexFrolov
Первый пост темы: AlexFrolov Post: #155176 От:10.01.2009 (21:42)
Предлагается обсудить здесь технические решения для получения света в видимом диапазоне наиболее экономичным путем. У меня пока получился только примитивный высоковольтный транс на ферритовом кольце, ток в первичку дает мультивибратор, питание 12 Вольт. Потребляет 2А, то есть 24 Ватт. Хватает на 20 Ваттную лампу дневного света. Идеи есть?
yarunt | Post: #157146 - Date: 20.01.09(13:11)
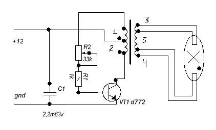
Витки не помню,было 3 года назад,но помню некоторые нюансы.
1.Количество витков в обмотках 1,2 одинаковое,но первая диаметром 0,2мм вторая 0,5мм
2.В обмотках 3,4 тоже одинаковое но мотается поверх 1,2 подключаются к накалам,включеный преобразователь не должен их светить.
5.Обмотка 5 должна запускать лампу но при подключении вольтметра в режиме постоянки на ней должен быть ноль.


Размер: 4.41 KB


loiki | Post: #157148 - Date: 20.01.09(13:37)
Рискну предположить что обмотка 1 - 20-25 витков. 2 - 60-80 витков провода одного диаметра. Вторичка - 600-1200 витков. Сердечник - любой ферритовый, лучше с ТПИ 8-1 (Ш12х20)
Кстати, вполне возможно ТВС-90ЛЦ5 подойдет, там как раз со вторички 4 вывода.

_________________
Шел Шива по шоссе - разрушая сущее. А навстречу Cаша шла - круглое сосущая.



pendik | Post: #157150 - Date: 20.01.09(13:44)
http://www.postapocalypse.ru/forum/viewtopic.php?t=159&start=0&sid=fde1ffe0d2637125dc34d691fcaf823c

[ссылка]

Лучшая в мире керосинка=шедевр. (цена, правда тоже хорошая)


yarunt | Post: #157155 - Date: 20.01.09(13:59)
Кстати на счет киросинок,есть "люминифоровый колпачек" который вставляется в стеклянную колбу.Пламя в керосинке горит в него а он в свою очередь ярче светит пламени керосинки.
to loiki
Количество витков примерно такое может меньше,но трансформатор небольшой 32*32*6мм. Помоем ТПИ и ТВС ватт на 60 они слишком большие.


loiki | Post: #157170 - Date: 20.01.09(15:19)
pendik Пост: Лучшая в мире керосинка=шедевр. (цена, правда тоже хорошая)
300 баксов... Буржуины охренели? За эти деньги можно целую избу в глухой деревне взять. А вообще, мне больше коммент владельца сего чуда понравился, в самом низу форума по первой ссылке
обычная фитильная керосиновая лампа , только блестит и красивая
Блин, детали для моей схемы с легкостью находятся на ближайшей свалке. Нужен 1 аккумулятор, 1 старый телевизор и пара Б/Ушных ЛДСок. Шуруповертик, тоже Б/Ушный покупается у бичей за 500 рэ. ВСЕ! Расхода карасина не требоват.

_________________
Шел Шива по шоссе - разрушая сущее. А навстречу Cаша шла - круглое сосущая.



pendik | Post: #157182 - Date: 20.01.09(16:19)
Лойки
Она не фитильная. У неё имеются и Китайские? копии около 50 долларов( в работе китайских не видел- может быть они не только блестеть умеют,но и светить)...погугли: " santrax 829 "...

кстати-они АБСОЛЮТНО НЕ КОПТЯТ...я про petromax.
А свою коптилку можешь сразу(не разжигая/не заправляя) на свалку определить...



loiki | Post: #157187 - Date: 20.01.09(16:50)
Если мою коптилку спиртом заправить - я думаю эффект будет тот-же.
А на российской соляре НЕ КОПТИТЬ никакой " santrax 829 " не сможет...

_________________
Шел Шива по шоссе - разрушая сущее. А навстречу Cаша шла - круглое сосущая.



олег-джан | Post: #157191 - Date: 20.01.09(17:28)
Ту МСН-то,что на высой частоте повышается светоотдача на 30 процентов-это я даже нашенский патентик видел какой-то советский...это факт....
насчет подогрева-ну вы же все прекрасно знаете,что у лдс-ок есть нижняя температура негарантированного зажигания...т.е. тепло в помещении-все ок!холодно-будь добр спиралью или феном ...
исходя из этого,я долго ломал голову,почему же все-таки не было широкого внедрения вч питания ламп?это ведь дешевле дросселя и капацитора....
в последнее время напрашивается один ответ-ВРЕДНО ВЕДЬ!по-закону около высоковольтки прописаться-то нельзя,и правильно...
Лойки-если не секрет,почему именно от шуруповерта?а всякие там шаговые от дисководов....и прочая дребедень?
ну и читай выше про температуру минимальную-это может стать маленькой засадой для твоих целей(заимки,зимовки....)
С уважением всем!

_________________
Обьективная реальность-бред,вызванный недостатком алкоголя в крови...



loiki | Post: #157203 - Date: 20.01.09(18:06)
А не, я уже установил (только сегодня) что автозапуск на моей схеме не пашет. (Точнее - он пашет, но потребление за 2 ампера зашкаливает, зараза. На "умеренное" потребление не переключается). Приходится "вручную" дополнительным выключателем делать. (Т.е. одним - подаешь питание. Другим - кратковременно замыкаешь цепь, чтобы "поджигающий" импульс создать). Пробовал и дросселя с конденсаторами ставить, типа линия задержки и емкость - фигня какая-то получается... Надоело мозга ломать просто. Работает - и ладно.

А для надежного розжига даже импортной тонкой холодной лампы (специально ложил на подоконник чтобы остыла) - достаточно один из ее контактов просто заземлить.

Шуруповерт 2-3 ампера даст (если не больше). Стоит недорого, а шаговый от дисковода я не знаю где взять. Да и как "походный" вариант "Шурик" лучше. Всегда можно его обратно шуриком сделать.

Насчет вредности - вполне может быть, х.з. Помех на телевизоре от приблуды нету, да и сколько излучения может дать ненаправленный генератор с частотой 30-100 кГц? Микроволновка не больше? Если сильно страшно - в тонкую металлическую сеточку лампу одеть, типа кожуха - я думаю вреда не будет...

_________________
Шел Шива по шоссе - разрушая сущее. А навстречу Cаша шла - круглое сосущая.



yarunt | Post: #157207 - Date: 20.01.09(18:17)
to олег-джан
Вы не поняли,я имел ввиду что уже запущенную лампу с любым доселем или преобразователем можно нагреть феном и увидеть прибавку к яркости.Что горячая лампа ярче светит!


Eduard | Post: #157224 - Date: 20.01.09(18:38)
loiki Пост: #157094 От 20.Jan.2009 (07:05)
Пожалуйста. Еще вопросы есть?

Не, те две лампы по 20 вт, их общая длина больше, поэтому они кажутся темнее, но если померять поток, то окажется одинаковый. У тебя пара одинаковых ЛДС найдется? И корректнее будет все-таки измерить мощность потребления того и другого варианта.

_________________
И мню аз яко то имать быть, что сам себе всяк может учить.



олег-джан | Post: #157228 - Date: 20.01.09(18:44)
yarunt-естественно ярче,я наверное криво изьясняюсь...эмиссия больше...и говорю о том,что в холодном зимнем помещении будет проблематично,наверное....или с очень низкой отдачей светового излучения...хочешь так подогревай,а хочешь -так...вот если-б была у нас возможность делать самим лампульки,с нужным нам катодом...с эмиссией в единицы вольт-тогда-да...живем....
правка-Эдуард,не парься-она ярче светит...давно проверено...не мной даже...первым...😊

_________________
Обьективная реальность-бред,вызванный недостатком алкоголя в крови...



олег-джан | Post: #157259 - Date: 20.01.09(19:53)
Лойки,у тебя они на 127 вольт попались...поледовательно...маленькие...Правильно?

_________________
Обьективная реальность-бред,вызванный недостатком алкоголя в крови...



loiki | Post: #157272 - Date: 20.01.09(20:25)
Понятия не имею сколько там вольт. Пускач втыкается в розетку. На платформе 2 стартера, 1 дроссель, 1 конденсатор. Запускаются паршиво. Точно такая-же запитана от аккумулятора. Называется ЛБ20-2. Длина 60 см. диаметр - 3см. Супер-пупер точных данных не имею, ибо нах надо.
Есть еще горелая Camelion F16 T4 6400K Длина 47 см. Диаметр - 1 см. Найдена в мусорке возле магазина. Запускается хуже (требует контакта с заземлением).
И еще одна импортная 20-ти ваттка, но ту я уже не ипытываю поскольку задолбало. Что мне было надо - уже нашел.
лампы
лампы
Размер: 21.95 KB

_________________
Шел Шива по шоссе - разрушая сущее. А навстречу Cаша шла - круглое сосущая.



loiki | Post: #157986 - Date: 23.01.09(21:46)
Хы, запитал сегодня через свою приблуду от ТВС-а лампу на 40 ватт. Горит, зараза! 😀 Не слишком, ярко, правда. Чуть ярче чем «севшая» 40-ваттка от сети. Главное что ток потребления при этом – 0.3 ампера 😏 )))))
И геморроев с «ручным запуском» никаких. Просто включил – и все…


хы...
Размер: 35.86 KB

_________________
Шел Шива по шоссе - разрушая сущее. А навстречу Cаша шла - круглое сосущая.



Sтаs | Post: #157988 - Date: 23.01.09(21:52)
loiki, молодец, не плохие результаты, а не делал эксперименты с вышедшеми из строя энергосберегающими лампами под обычный цоколь? у меня вот уже сдохших, трубка и спирали целые в обоих. Кстати у меня одна энергосберегающая лампа освещает комнату 15 м2, 28 Вт, очень хорошо.


loiki | Post: #158003 - Date: 23.01.09(22:54)
А у меня нет таких. Они дорогие, заразы!😝
По идее - без разницы должно быть, т.к. это та-же неонка, только в спираль скрученная...

Кто знает характеристики движка ДВ-75УХЛ3 ? Он на постоянных магнитах или нет? Вместо генератора его использовать можно? А то крутишь его слегка – стрелка вольтметра слегка отклоняется. А дрелью не зацепить – там на валу вентилятор приварен…
ДВ-75УХЛ3
ДВ-75УХЛ3
Размер: 26.14 KB

_________________
Шел Шива по шоссе - разрушая сущее. А навстречу Cаша шла - круглое сосущая.



YYY | Post: #158015 - Date: 23.01.09(23:46)
для loiki=

www.lalls.narod.ru/NTD/IDMB_661142_010_RE3.pdf

вроде что-то...😶


loiki | Post: #158033 - Date: 24.01.09(02:21)
Спасибо, конечно, но там файл на 4 метра с описанием запчастей к тепловозу - немножко не то... Я думал может кто конкретно по движку знает, чтоб разбирать его не пришлось...

_________________
Шел Шива по шоссе - разрушая сущее. А навстречу Cаша шла - круглое сосущая.



YYY | Post: #158036 - Date: 24.01.09(03:16)
для loiki=


...вырезал 😊
80ab04.rar
Размер: 318.60 KB


Eduard | Post: #158061 - Date: 24.01.09(09:48)
Sтаs Пост: #157988 От 23.Jan.2009 (18:52)
а не делал эксперименты с вышедшеми из строя энергосберегающими лампами под обычный цоколь?

Я пробовал через дроссель, не зажигается. Видимо, у нее давление в колбе выше. Для зажигания обычной холодной ЛДС надо вольт 900, хотя для поддержания горячего разряда надо где-то 60в. Для ЭС кажется, побольше надо.

_________________
И мню аз яко то имать быть, что сам себе всяк может учить.



loiki | Post: #158093 - Date: 24.01.09(13:50)
YYY Пост: #158036 От 24.Jan.2009 (00:16)
для loiki=
...вырезал 😊
Благодарю, однако у меня там кракозябры какие-то открываются... В документе просто не сказано о постоянных магнитах в роторе или статоре? Или там обмотки?

_________________
Шел Шива по шоссе - разрушая сущее. А навстречу Cаша шла - круглое сосущая.



Carn | Post: #158107 - Date: 24.01.09(15:20)
Крокозябры из-за того, что файло сохранено в формате docx, скачай с сайта мелкомягких аппач для совместимости старого офиса к документом офиса-2007

_________________
Из Шамбалы лохом никто не возвращался



loiki | Post: #158110 - Date: 24.01.09(15:34)
аппач будет весить 30-40 метров... На его поиски уйдет еще столько-же...

_________________
Шел Шива по шоссе - разрушая сущее. А навстречу Cаша шла - круглое сосущая.



Carn | Post: #158118 - Date: 24.01.09(16:13)
Да, прога весит 27 метров. А вот искать не обязательно. Ссылка

_________________
Из Шамбалы лохом никто не возвращался



<] [ 1 | 2 | 3 | 4 | 5 ] [>
Тема закрыта. Добавление новых сообщений невозможно.
Форум - Резонансные генераторы - Проекты Фролова - источник света - Стр 3

🏠 Главная | 📚 Содержание | 💬 Форум | 📁 Файлы | 📩 Контакт