[ВХОД]
13.04.26(21:31)

www.skif.biz

Альтернативная энергия. Оставь надежду, всяк сюда входящий...

🏠 Главная | 📚 Содержание | 💬 Форум | 📁 Файлы | 📩 Контакт
 
Резонансные генераторы
Магнитные генераторы
Механические центробежные (вихревые) генераторы
Электростатические генераторы
Водородные генераторы
Ветро- и гидро- и солнечные генераторы
Прочие идеи (разные)
О форуме
Транспорт
Оружие
Научные идеи, теории, предположения...
Экономия топлива
Коммерческие вопросы
Струйные технологии
Торсионные генераторы
Новые технологии
Барахолка
Патентный отдел
Конструкторское бюро
Нейтронная физика
Торнадо и смерчи
Гравитация и антигравитация
Сделай сам. Советы.
Медицина и здравоохранение

📱 | 🖨️

Форум - Прочие идеи (разные) - Схемотехника - Как зажечь светодиод от пальчиковой батарейки - Стр:1
[ 1 | 2 | 3 | 4 | 5 | 6 | 7 | 8 ] [>
Модератор: Eduard
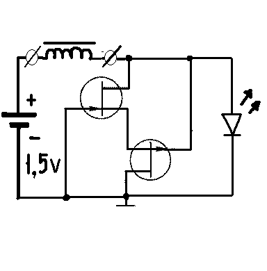
Eduard | Post:139989 - Date: 07.11.08(12:23)
Легко, хоть два! Как видите, схема содержит три детали. Но, как и все простые схемы, капризна в настройке и выборе деталей. Не шедевр схемотехники, конечно, но может пригодиться там, где 5 мм свободного места, или должно весить 2 грамма.

Любителям сделать из ... конфетку посвящается.
Схема.
Схема.
Размер: 6.56 KB
== .FALSE. и это правда
== .FALSE. и это правда
Размер: 17.46 KB


Размер: 15.62 KB

_________________
И мню аз яко то имать быть, что сам себе всяк может учить.


Maniak | Post:140015 - Date: 07.11.08(13:14)
...ничего не понял
1.Напрямую к батарейке значит нельзя?...без всяких там транзисторов и ферритов.
2.Альтернотива в чем?
3.Смысл темы в чем?

Eduard | Post:140030 - Date: 07.11.08(14:14)
Maniak Пост: 140015 От 07.Nov.2008 (10:14)
1.Напрямую к батарейке значит нельзя?...без всяких там транзисторов и ферритов.

Ну попробуй... К 3-вольтовой можно, к 1.5в нельзя. А ведь бывает надо. В часах, например.
2.Альтернотива в чем?

Альтернативы нет, чистая классика, блокинг с флайбэком. Ну дык и ветка "схемотехника".
3.Смысл темы в чем?

Отвлечь посетителей от поиска Свободной Энергии!!! 😬

_________________
И мню аз яко то имать быть, что сам себе всяк может учить.


Metronom | Post:140056 - Date: 07.11.08(15:28)

мне как раз наверно пригодится ,, вскрыл недавно фонарик
а там схема без дроссельная пожтому используется три батарейки ,, видел ещё как то подобную схемку в журнале радио но забыл где

Maniak Пост: 140015 От 07.Nov.2008 (10:14)
...ничего не понял
1.Напрямую к батарейке значит нельзя?...без всяких там транзисторов и ферритов.


напрямую придётся включать резистор чтобы ток ограничить потери энергии,, а такие схемы можно настроить чтобы они ограничивали ток и КПД выше ,,
и ещё светодиоды в импульсном режиме светят ярче

_________________
** АДНАЗНАЧНА!


dedivan | Post:140061 - Date: 07.11.08(15:41)
Eduard Пост: 140030 От 07.Nov.2008 (11:14)
Отвлечь посетителей от поиска Свободной Энергии!!! 😬


Опоздал. В магазинах за два енота продают китайскую поделку.
Солнечный элемент, аккумулятор, схемка повышения напряжения с 1,2 вольта до 3х.
Работает автоматически- есть солнышко-заряжается аккумулятор,
в темноте включается светодиод.
Преимущество перед приведенным выше преобразователем- больше кпд.



Размер: 22.83 KB

_________________
я плохого не посоветую


sw1972 | Post:140071 - Date: 07.11.08(17:06)
Eduard Пост: 139989 От 07.Nov.2008 (09:23)
Легко, хоть два! Как видите, схема содержит три детали. Но, как и все простые схемы, капризна в настройке и выборе деталей. Не шедевр схемотехники, конечно, но может пригодиться там, где 5 мм свободного места, или должно весить 2 грамма.

Любителям сделать из ... конфетку посвящается.



Схема простая, легко повторяемая и для питания светодиодов с падением напряжения 3,5 В требуется всего ОДНА батарейка 1,5 В. Для уменьшения потерь не мешало бы заменить резистор дросселем(если эта замена возможна схему). Моё уважение автору схемы.

Если кого-нибудь интересуют схемы питания светодиодов предлагаю также заглянуть сюда(скажу сразу, требуются две батарейки 1, 5В): [ссылка]


С уважением
Виталий

_________________
Хорошее - враг лучшего


AlexZander | Post:140074 - Date: 07.11.08(17:17)
Вместо резистора поставить дроссель не пробовали?

Еще одно применение трансформатора Мотовилова. 😏

Metronom | Post:140075 - Date: 07.11.08(17:51)
Eduard


а ВАМ не КААТЦА , КААТЦА ВАМ что не мешало бы последовательно с базой резистор поставить???

_________________
** АДНАЗНАЧНА!


AlexZander | Post:140078 - Date: 07.11.08(18:11)
Если интерисует мое мнение, то не каатся... 😏 Есть еще такой штук:

На транзисторах собран двухтактный генератор импульсов. Ток положительной обратной связи протекает через обмотки 3 и 4 трансформатора и нагрузку.

За счет пропорционально-токового управления транзисторами существенно уменьшены потери на переключение и повышен кпд. Роль диодов, выпрямляющих выходное напряжение, играют эмиттерные переходы транзисторов.

Магнитопроводом трансформатора служит кольцо К18?8?5 из феррита 2000НМ. Обмотки 1 и 2 содержат по 6 витков, а 3 и 4 - по 10 витков изолированного провода диаметром 0,5 мм. Каждую пару обмоток наматывают одновременно в два провода.

Инвертор работоспособен при уменьшении входного напряжения до 1В, необходимое количество витков рассчитывают по формуле:


Транзисторы выбирают ориентируясь на допустимые значения тока базы (он не должен быть меньше тока нагрузки) и обратного напряжения эмиттер-база (оно должно быть больше удвоенной разности входного и выходного напряжений). Для работы в преобразователях небольшой мощности во многих случаях подойдут транзисторы КТ208, КТ209, КТ501 и т.д. При этом трансформатор может быть выполнен на кольцевом магнитопроводе меньшего диаметра.



Размер: 8.02 KB


Размер: 608 Bytes

AlexZander | Post:140079 - Date: 07.11.08(18:12)
Все украдено до нас! 😏

Maniak | Post:140101 - Date: 07.11.08(20:17)
...на счет солнечных батарей:


Размер: 96.98 KB

OPTICUT | Post:140875 - Date: 12.11.08(01:02)
Мне вот такое решение понравилось, на аналоге лямбда диода. Правда с подбором транзюков пришлось немного повозиться, зато есть и бонус. Это двухполюсник,
им можно проверять дросселя на предмет КЗ.


Размер: 3.99 KB

stasis2 | Post:141153 - Date: 13.11.08(21:07)
Как зажечь светодиод от пальчиковой батарейки

А зачем от батарейки ,можна и без батарейки!😕
Как , да просто , СПИЧКОЙ😎 😎 😎 😬 😀.
А если серьёзно -светодиод это ещё и фотоэлемент в одном флаконе,
от зелёного света все практически напругу дают ,примерно 1вольт ,
даже крассные😀 О, как.
Только току нихрена не дают ,надо на полевик цеплять

ilnur | Post:141266 - Date: 14.11.08(13:07)
Хочу выразить благодарность создателю темы.
На фото транзистор МП37А без резистора.
У меня в этой цепи работают абсолютно все транзисторы от КТ315 до 2N3055 и все от 1,2V.
Единственный недостаток - частота оказалась звуковой, и катушка пищит не хуже строчника.

С такой цепью любой микроветряк сможет поджечь светодиод.


1.jpg
1.jpg
Размер: 15.59 KB

redpas | Post:141314 - Date: 14.11.08(16:39)
я конечно извиняюсь, но смысл этого девайса мне не понятен на протяжении эдак лет десяти. мне абсолютно никто не смог объяснить зачем питать светодиод от 1,2-1,5В. ЗАЧЕМ? зачем туда тулить пару микросхем, пик-контроллер, две кнопки и хвастаться, что этот фонарик может тлеть полгода без подзарядки от АА батарейки. мой аргумент, что света в этом случае не достаточно даже для идентификации этого фанаря в полной темноте под одеялом, остался не услышанным. зачем?
мне как-то досталась пара аккумуляторов от ноутбука. каждый даёт по 3,6В, и ёмкость имеют 3200мАч. 5 светодиодов паралельно(с пятью резисторами)- и имею счастье- ответ это не спортивно, ты на пике собери, програмку напиши, отладь её, потом с нами спорь, а пока отойди мальчик в сторонку, и не мешай дядям общаться!

_________________
...Только глоток бензина может спасти смертельно раненого кота...


stasis2 | Post:141349 - Date: 14.11.08(21:42)
на пике собери, програмку напиши, отладь её, потом с нами спорь, а пока отойди мальчик в сторонку, и не мешай дядям общаться!

Привет, ты чё не видишь мы тут плюшками балуемся ,а ты зачем зачем?
оТ НЕКУЙ делать ,вот зачем.
Есть более полезное время препровождение? Предлагай. 😊

redpas | Post:141365 - Date: 14.11.08(22:41)
А нет, пардон. Тада всё сходится! Беру свои слова обратно! Я вот иногда табуретки сам делаю, посчитал сколько времени трачу на это, умножил на те деньги, что мне платят в час. Ё моё! Хорошо, что додумался их из красного дерева ваять. Это как-то оправдывает стоимость поделки. Сделал уже две очень маленьких- своим деткам! Так что каждый сходит с ума по своему.

_________________
...Только глоток бензина может спасти смертельно раненого кота...


stasis2 | Post:141392 - Date: 15.11.08(09:06)
Так что каждый сходит с ума по своему.

ЭТО ПРАВДА
___________________________
от научной работы надо тоже отдыхать ,а то это железо сниться начинает😀

psih | Post:141397 - Date: 15.11.08(09:32)
Предлагаю задачу посложнее!

Как запитать от 220в два 3w светодиода PROLIGHT 3в.Интересует наиболее компактное решение. Нужно для обеспечения дежурного освещения

queet | Post:141412 - Date: 15.11.08(11:54)
Включи их встречно-параллельно и через кондёр в розетку😊

psih | Post:141414 - Date: 15.11.08(12:01)
Я на них 400рублей потратил... может их тогда лучше сразу в унитаз спустить? 😀

ограничение по току 1а max номинальные 700ma. Внутреннее сопротивление 1ом.
Рабочее напряжение от 3 до 3.99в. Рабочее 3.55в


vodoprovodchik | Post:141416 - Date: 15.11.08(12:09)
к,ста ,,,проблема - в цифровике(фотоаппарат) обычно стоят батафейки(2-е пальчиковые, не абы какие а специальные с большим разрядным током) = 3,1вольта(когда новые). Обычно ставишь аккумы(2100-2600) , = 2,6 Вольта (пока свежезаряженные)....потома головняк - энергии в аккумах полно, но напруги не хватает и цифровик отключается. Если аккум или батафейка не даю ток КЗ около 4-5ампер (предварит. проверка),,,, камера также отказывается работать )...
Чего делать ???
Вод.

redpas | Post:141417 - Date: 15.11.08(12:09)
Конденсаторный делитель напряжения, а дальше как всегда, выпрямитель, резистор...

_________________
...Только глоток бензина может спасти смертельно раненого кота...


MSN | Post:141419 - Date: 15.11.08(12:12)
psih Пост: 141414 От 15.Nov.2008 (09:01)
Я на них 400рублей потратил... может их тогда лучше сразу в унитаз спустить? 😀

ограничение по току 1а max номинальные 700ma. Внутреннее сопротивление 1ом.
Рабочее напряжение от 3 до 3.99в. Рабочее 3.55в


queet дал правильное решение, так сделано в китайских светодиодных лампочках, это самое простое решение. Емкость конденсатора сам рассчитаешь, или помощь нужна?

_________________
Говорите говорите, я всегда зеваю когда мне интересно. 99,9% всех СЕ устройств, - от неправильных измерений


олег-джан | Post:141420 - Date: 15.11.08(12:14)
vodoprovodchik,у тебя наверное очень крутой цифровик,я в свой старенький олимпус китайские ставлю,работает до полного разряда...

_________________
Обьективная реальность-бред,вызванный недостатком алкоголя в крови...


[ 1 | 2 | 3 | 4 | 5 | 6 | 7 | 8 ] [>
У Вас нет прав отвечать в этой теме.
Форум - Прочие идеи (разные) - Схемотехника - Как зажечь светодиод от пальчиковой батарейки - Стр 1
🏠 Главная | 📚 Содержание | 💬 Форум | 📁 Файлы | 📩 Контакт