[ВХОД]

🏠 Главная | 📚 Содержание | 💬 Форум | 📁 Файлы | 📩 Контакт

📱 | 🖨️

Форум - Резонансные генераторы - Прочие резонансные генераторы - Генератор Папалекси - Стр:1
Модератор: SEVER
SEVER | Post: #133943 - Date: 30.09.08(22:01)
Дело было так:
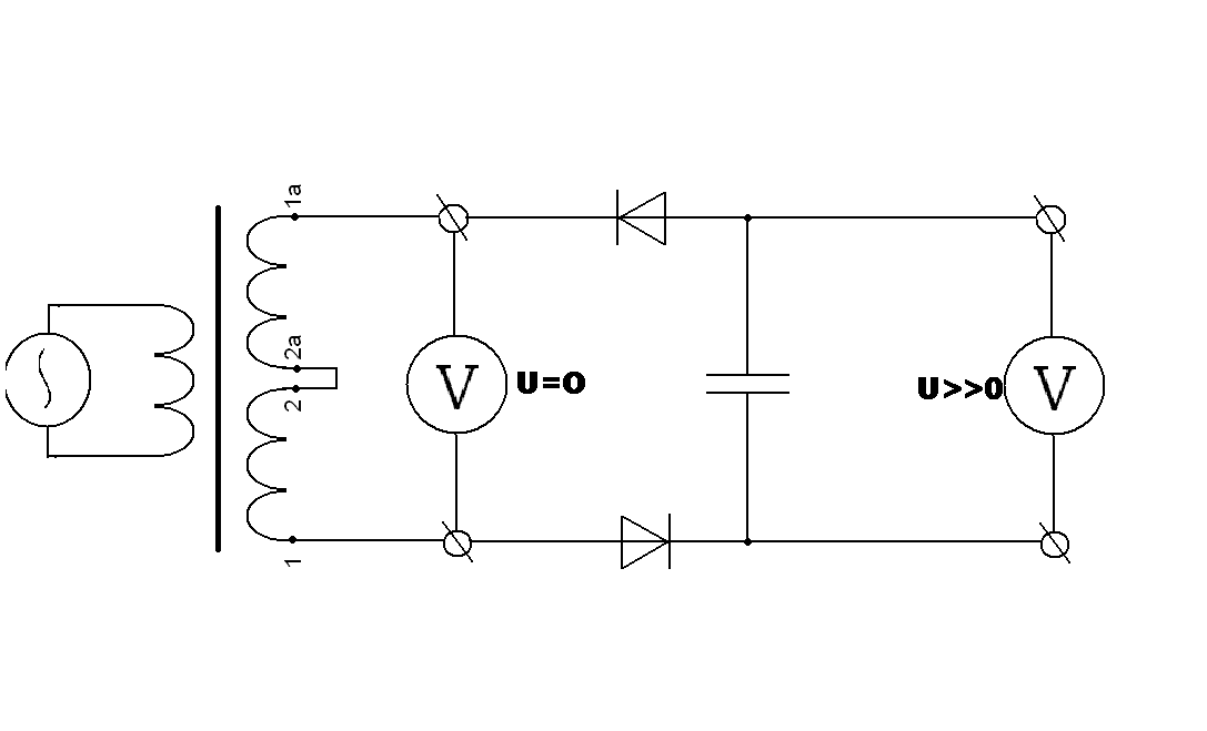
Взял я длинную лакированную проволоку ~ 0,1мм сложил в двое и намотал бифиляром в навал на пластиковый каркас (витки не считал). Сверху намотал первичку проводом 0,35 ~10 витков. Каркас вставил в броневой сердечник 2000НМ.
На первичку подаю 5В 100 кГц. Потребление от генератора максимальное, система в резонансе.
На выходе вторички вешал лампочку и мерил напругу. Напряжения нет как и полагается при противофазном включении одинаковых обмоток.
Подцепил на вторичку два диода и конденсатор неполярный 1мкФ. Замкнул кондёр - искрит . Подключил два кондёра 4,7 мкФ 63В последовательно и заземлил среднюю точку.частоту генератора увеличил в двое. Попытался разрядить на лампочку 12В 5Вт. Лампа ярко вспыхнула и сгорела, меня дёрнуло током. Пока я матерился, пробило оба кондёра. Один разорвало, второй посадило на кз.
Подключил кондёры меньшей ёмкости и на большую напругу. На выходе намерил 205В. Сделал маленький искровой промежуток и подключил через него лампочку. При пробое лампа бодро вспыхивает. Если вместо промежутка поставить ключик (ставил реле) и замыкать его с частотой в десятки герц, то можно добиться стабильного свечения лампочки.

о генераторе Папалекси прочитал здесь [ссылка]




Размер: 8.46 KB


Размер: 9.58 KB

_________________
Намного проще о том пи...ть, чего ни кто не понимает.



Alexey | Post: #133961 - Date: 01.10.08(00:19)
Наверно лучше вместо искровика и лампы накаливания поставить неонку или просто заменить искровик на динистор. А то искровик сам посебе может чудить и запутаешься где от чего эффект.
Интересно будет скрестить изобретение Ieronim с этой схемой.



MSN | Post: #133963 - Date: 01.10.08(00:28)
Трансформатор Маркова.

_________________
Говорите говорите, я всегда зеваю когда мне интересно. 99,9% всех СЕ устройств, - от неправильных измерений



zvezda | Post: #133973 - Date: 01.10.08(07:59)
Да это же та же вилка авраменко, поэтому тут она и работает, ей хватает 1 провода


SEVER | Post: #134009 - Date: 01.10.08(14:11)
MSN Пост: 133963 От 30.Sep.2008 (21:28)
Трансформатор Маркова.

что за девайс такой? кинь плиз инфу. в поисковике ни чего конкретного не нашёл.

_________________
Намного проще о том пи...ть, чего ни кто не понимает.



SergeyA | Post: #134010 - Date: 01.10.08(14:33)
Если есть осцилограф, то он всё поставит на свои места 😀
Импульс от бифилярки всё равно есть, но он очень короткий. Засветить лампу по времени не получается. Кондер это накапливает и импульсно выдает. Фишку с накоплением и выдачей использовал еще Тесла в своих системах передачи энергии. Но чудес так нету 😕


bes | Post: #134012 - Date: 01.10.08(14:47)
А причем здесь Папалекси?


SEVER | Post: #134016 - Date: 01.10.08(15:17)
осцилографа у меня нет😕 спасибо за разъяснение эфекта.
скоро попробую более хитрую схему

_________________
Намного проще о том пи...ть, чего ни кто не понимает.



SergeyA | Post: #134019 - Date: 01.10.08(15:51)
SEVER Пост: 134016 От 01.Oct.2008 (12:17)
осцилографа у меня нет😕 спасибо за разъяснение эфекта.
скоро попробую более хитрую схему


Попробовал повторить, но на кольце. Повторяется плохо, хотя эффект явно присутствует. Правда у меня три провода вместе намотаны на кольцо и рассиметрирование получить много труднее. А у генератора нормальный синус?


SEVER | Post: #134027 - Date: 01.10.08(16:38)
у генератора вобше П-образный сигнал😏 но это не важно. главное чтобы частота была в два раза выше резонансной. трансформатор лучше делать повышающий.

_________________
Намного проще о том пи...ть, чего ни кто не понимает.



SergeyA | Post: #134187 - Date: 02.10.08(18:32)
SEVER Пост: 134027 От 01.Oct.2008 (13:38)
у генератора вобше П-образный сигнал😏 но это не важно. главное чтобы частота была в два раза выше резонансной. трансформатор лучше делать повышающий.

На меандре выбросы оооочень хорошие..... на синусе получается слабо.


selen | Post: #134505 - Date: 05.10.08(00:41)
SEVER Пост: 133943 От 30.Sep.2008 (19:01)
На первичку подаю 5В 100 кГц. Потребление от генератора максимальное, система в резонансе.


А резонанс где? на неиндуктивном бифиляре? Или по длине провода?


selen | Post: #134506 - Date: 05.10.08(00:50)
На любом разряженном конденсаторе есть остаточный заряд. Если при данном напряжении на конденсаторе уменьшить его ёмкость то напряжение возрастёт. После диодов как раз должно быть то нечто что модулирует диэлектрическую проницаемость кнденсаторного диэлектрика. Вот тут и парметрический генератор.


niklz | Post: #137394 - Date: 23.10.08(18:49)
Уважаемый sever,анологичный опыт проводил и получал точно такой же результат.
Потребление преобразователя растет только если конденсаторы резко разряжать
(те сами на себя) но если разряжать пилообразно....? Электролиты ставить не
желательно (большая собственная индуктивность) хорошо слюдяные(как у Тесла)
или со стеклянным изолятором-еще лучше тефлон но на очень высокие напряжения
придется делать самому.Ну а лучше всего сфера или тор приподнятые над Землей
(все по Тесловски--удивлятся не перестаю-какой гениальный был человек!)


dedivan | Post: #137398 - Date: 23.10.08(19:02)
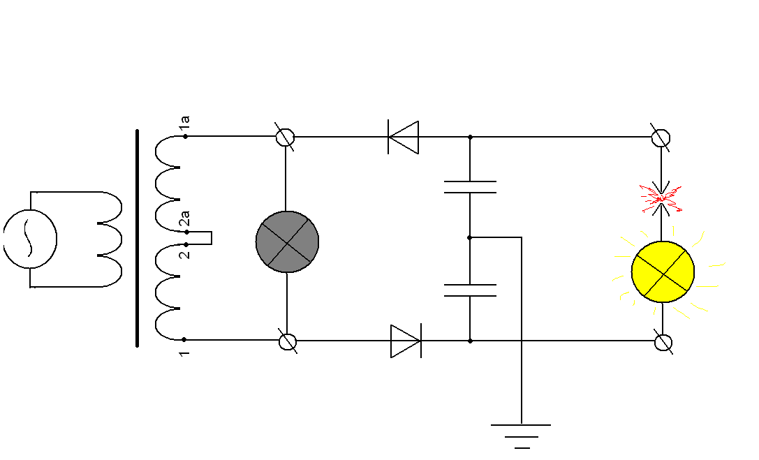
SEVER Пост: 133943 От 30.Sep.2008 (19:01) Подключил два кондёра 4,7 мкФ 63В последовательно и заземлил среднюю точку.


Вот заземление средней точки и дает два детекторных приемника.

А если еще и среднюю точку обмоток заземлишь- то получишь обычный
транс с двухполупериодным выпрямителем.

Без заземления средней точки
энергия передается через паразитные емкости обмоток.
Частота то ведь не 50 гц.



_________________
я плохого не посоветую



andav777 | Post: #177182 - Date: 27.04.09(13:27)
Уважаемые коллеги!
С чьей-то легкой руки эта ветка именуется ГЕНЕРАТОР ПАПАЛЕКСИ.
Намеренно или нет,но многие читающие вводятся в заблуждение.
Потрудитесь найти в научных трудах Папалекси материалы по параметрическому
резонансу и простейшему электромеханическому генератору,эти работы он выполнял
еще в 1934г!
В установке вращался дюралевый диск с прорезями,еще там были катушки с сердечниками,и схема с радиолампой.Схема представляла собой автогенератор,а катушки-часть колеб.контура,самоиндукия в котором менялась при помощи вращающегося диска с прорезями.Папалекси исследовал: возникновение резонанса в автогенераторе, свойство положительной обратной связи в такого рода контуре,условия возникновения незатухающих колебаний. Второй вар. установки Папалекси сделал без автогенератора,и ему удалось
в сильно нагруженном контуре получить резонансную ЭДС размахом в сотни вольт.Мощности хватало,чтобы ярко горели лампы нагрузки (220v), и еще имелся ее избыток! А такого типа резонанс Папалекси назвал параметрическим,сейчас его св-ва хорошо известны. Схема " поляризации конденсаторов" также не имеет ничего общего с электромеханическим устройством Папалекси от 1943г.
Видимо,"настоящий" ГЕНЕРАТОР ПАПАЛЕКСИ предстоит по новой открывать и вновь исследовать.
С уВАжением ко всем Участникам.
P.S. подобное устройство лежит тут:
[ссылка]


DigitalM | Post: #291012 - Date: 26.02.11(00:43)
Какой параметр изменяется в параметрическом КК башни Теслы?



Размер: 20.61 KB


vihr | Post: #293608 - Date: 11.03.11(00:36)
Провел эксперимент по теме "Генератор Папалекси" Действительно резонанс там имеет место быть. Но! В тексте написано-берем два идентичных транса,включаем первичку согласно последовательно,вторичку включаем так чтоб на кондере небыло напруги... на самом деле трансы не идентичные,т.к. вторичные обмотки имеют навивки провода в противоположные стороны - посмотрите внимательно схему! Результат таков: Напруги скомпенсированные а резонанс есть!Размер подаваемой амплитуды имеет значение.


Gobsek | Post: #293631 - Date: 11.03.11(03:35)
andav777 Пост: 177182 От 27.Apr.2009 (14:27)
Уважаемые коллеги!
С чьей-то легкой руки эта ветка именуется ГЕНЕРАТОР ПАПАЛЕКСИ.
Намеренно или нет,но многие читающие вводятся в заблуждение.
Потрудитесь найти в научных трудах Папалекси материалы по параметрическому
резонансу и простейшему электромеханическому генератору,эти работы он выполнял
еще в 1934г!
В установке вращался дюралевый диск с прорезями,еще там были катушки с сердечниками,и схема с радиолампой.Схема представляла собой автогенератор,а катушки-часть колеб.контура,самоиндукия в котором менялась при помощи вращающегося диска с прорезями.Папалекси исследовал: возникновение резонанса в автогенераторе, свойство положительной обратной связи в такого рода контуре,условия возникновения незатухающих колебаний. Второй вар. установки Папалекси сделал без автогенератора,и ему удалось
в сильно нагруженном контуре получить резонансную ЭДС размахом в сотни вольт.Мощности хватало,чтобы ярко горели лампы нагрузки (220v), и еще имелся ее избыток! А такого типа резонанс Папалекси назвал параметрическим,сейчас его св-ва хорошо известны. Схема " поляризации конденсаторов" также не имеет ничего общего с электромеханическим устройством Папалекси от 1943г.
Видимо,"настоящий" ГЕНЕРАТОР ПАПАЛЕКСИ предстоит по новой открывать и вновь исследовать.
С уВАжением ко всем Участникам.
P.S. подобное устройство лежит тут:
[ссылка]




Напрасно увещеваешь 😎 Здесь народ далек от понимания и более простых вещей как обмен энергией в обыкновенном контуре, не то что принципов параметрического возбуждения.

....

Кстати, про этого "патентообладателя" - про работы Папалекси и Мандельстаме в патенте - ни слова, а патент зарегили, а в патентном офисе - как всегда дятлы штаны протирают. Т.е. спиздел чужую идею, а патент не отозвать.

Сам автор похоже даже в школьной физике - "ни бум-бум", читаем со ссылки:


... Другим недостатком способов генерирования электрической энергии высокого напряжения с помощью электростатических генераторов является нерегулируемое накопление электрического заряда на периферии ротора, что может привести к появлению на роторе сверхвысокого напряжения ...



откуда там оно, особенно "сверх-", т.е. налицо полное непонимание принципов работы электрофорной машины (Уимшерста/Вимшурста) или машины Ван-де-Граафа.

"Ызобретатель", мля


Ra-shit | Post: #375455 - Date: 12.06.12(22:26)
Параметрический резонанс исследования папалекси
8ad520.doc
Размер: 1.00 MB


У Вас нет прав отвечать в этой теме.
Форум - Резонансные генераторы - Прочие резонансные генераторы - Генератор Папалекси - Стр 1

🏠 Главная | 📚 Содержание | 💬 Форум | 📁 Файлы | 📩 Контакт