[ВХОД]

🏠 Главная | 📚 Содержание | 💬 Форум | 📁 Файлы | 📩 Контакт

📱 | 🖨️

Форум - Прочие идеи (разные) - Схемотехника - Помогите сделать быстрый RS232 - Стр:1
[ 1 | 2 ] [>
Модератор: Eduard
Eduard | Post: #116317 - Date: 18.05.08(11:29)
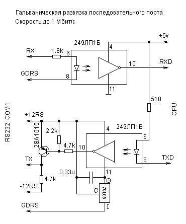
Собрал я дата-логгер, решил сделать оптическую развязку RS232 для связи с компом. Применил такую схему. Смог выжать из нее 19200 бит/с, этого оказалось мало. Помогите советом, как увеличить до 57600 (это предел для моего контроллера).


Размер: 25.24 KB

_________________
И мню аз яко то имать быть, что сам себе всяк может учить.



dedivan | Post: #116320 - Date: 18.05.08(11:44)
Ну конечно можно поизобретать велосипед, но все давно уже сделано.
Возьми звуковуху с оптическим входом.
Там и разъем, и расщепитель, и интерфейс стандартный для компа.

_________________
я плохого не посоветую



queet | Post: #116321 - Date: 18.05.08(11:52)
Поставь нормальные оптроны. Например H11L1...


yurec | Post: #116333 - Date: 18.05.08(13:36)
Увеличь ток светодиодов в оптопарах.

_________________
Не позволяйте обманывать себя.



Eduard | Post: #116344 - Date: 18.05.08(15:25)
С оптронами в нашем городе напряг. Лучшее, что нашел - 6n136, SFH610, вроде бы пошустрее, но на эксперименты жалко денег и времени.
А нельзя ли использовать фотоприемник для видео-тв?
А что можете сказать о 249лп1?
А кто-нибудь пробовал трансформаторы?

_________________
И мню аз яко то имать быть, что сам себе всяк может учить.



Slafka | Post: #116395 - Date: 18.05.08(19:06)
ух 😊 и ток увеличь и оптроны другие поставь..
ну тогда наверно надо еще шнур от компьютера укоротить 😊
вообщето com1 com2 и т.д. настраивается програмно в самой операционке
заходишь:
-> Start-> ControlPanel-> System-> Hardware-> DeviceMenager-> Ports(Com&Lpt) и там для любимого порта делаешь настройку в Port Settings

удачи


Eduard | Post: #116423 - Date: 18.05.08(20:40)
Разумеется, делал настройку порта, иначе как бы я узнал, сколько выжал из него. А что толку порты настраивать, если мой рукотворно сделанный порт не обеспечивает этой скорости. Переделывать надо.

_________________
И мню аз яко то имать быть, что сам себе всяк может учить.



Eduard | Post: #117264 - Date: 24.05.08(03:45)
Проблема решена, все летает! 😀


RS232.GIF
RS232.GIF
Размер: 4.26 KB

_________________
И мню аз яко то имать быть, что сам себе всяк может учить.



sw1972 | Post: #118419 - Date: 30.05.08(21:42)
Если Вам не нужно обеспечивать связь на расстояние более 5 метров, тогда можно использовать шину USB и при этом имитировать шину RS-232. Это могут обеспечить микросхемы-преобразователи USB<->RS-232(выход совместим с ТТЛ и КМОП): FT232BM, FT232R, CP2102 и CP2103.
Попробовал FT232BM, остался доволен, связь была стабильной на скорости 115200 бит/с.
От компьютера через провод питания и общий провод кабеля USB подаётся напряжение питания 5В при токе нагрузки менее 100 мА.

Вариант с шиной USB (пусть и с имитацией RS-232) самый оптимальный и красивый.

_________________
Хорошее - враг лучшего



dedivan | Post: #118421 - Date: 30.05.08(21:53)
sw1972 Вариант с шиной USB


Это ты не вкурил.
Человеку нужна гальваническая развязка. На киловольты может быть.

_________________
я плохого не посоветую



sw1972 | Post: #118425 - Date: 30.05.08(22:13)
Это будет зависеть от оптопары.
249ЛП вряд ли киловольты выдержит.

Питание светодиода оптопары и преобразователя интерфейса на стороне компьютера можно брать от шины USB.
Выход преобразователей интерфейса совместим с ТТЛ и может подводиться непосредственно к выводам микроконтроллера без гальванической развязки или через схему гальванической развязки, если оптопары быстродействующие.

Преобразователь интерфейса USB<->RS232 стоит дороже чем, например MAX232, зато современно и красиво.


_________________
Хорошее - враг лучшего



Eduard | Post: #118434 - Date: 31.05.08(03:12)
sw1972 Пост: 118425 От 30.May.2008 (23:13)
249ЛП вряд ли киловольты выдержит.


Ты прав, у нее по паспорту всего 100В. Но практика показывает, что совецкие разработчики сильно перестраховывались при указании параметра, в отличие от западных, и если написано 100, можно смело подавать 500, - а больше в бытовых условиях мне и не надо.

Насчет USB - думал, но отверг. Мне надо, чтобы связь работала из-под всего: Procomm, Telix, HyperTerminal, а также из самопальной программы, а писать я буду в BC3.1 под DOS, а на изучение протокола USB у меня уйдет столько же времени, как и на изготовление всего контроллера...

_________________
И мню аз яко то имать быть, что сам себе всяк может учить.



sw1972 | Post: #118437 - Date: 31.05.08(09:03)
В данном случае не надо изучать протокол USB, так как полностью на программном уровне имитируется RS232.
Для того, чтобы устройство работало, нужны:
1) разъём USB типа B,
2) микросхема преобразователя интерфейса USB<->RS232, одна из тех, которые я назвал ранее.

Проверял работу как в системе Linux, так и в системе windows xp.
Для того, чтобы операционная система "увидела" и смогла работать с преобразователями интерфейса, нужен драйвер устройства.
В новых дистрибутивах системы Linux поддерживается "из коробки", файлы устройства - /dev/ttyUSB0-/dev/ttyUSBx.
В виндюках в системе данное устройство отображается как COM3 или COM4, вроде бы можно назначить вручную. Дополнительных "примочек", кроме драйвера в виндюках не надо, работать можно как с обычным COM-портом. Никаких отличий.

Почему выбрал ДОС? Ведь это уже архаика и по современным представлениям экзотика. 🤢
Есть хорошие свободные операционные системы типа GNU/Linux.
Без виндюков тоже можно прожить, даже совсем неплохо и без особых хлопот(разве что на этапе освоения, так как от винды существенно отличается).

P.S.: Во вновь разрабатываемых устройствах вместо FT232BM лучше использовать FT232R.

_________________
Хорошее - враг лучшего



Eduard | Post: #118439 - Date: 31.05.08(10:21)
sw1972 Пост: 118437 От 31.May.2008 (10:03)
Почему выбрал ДОС? Ведь это уже архаика и по современным представлениям экзотика. 🤢


Потому что это единственная среда, с минимальными хлопотами обеспечивающая одновременно и управление железом, и достаточный набор программ для удобного интерфейса. Можно писать хоть на ассемблере (я предпочитаю С). Можно создавать свою графику в сыром виде, и есть конвертеры в стандартные форматы и смотрелки, а также слушалки и редакторы звука. Можно управлять любой периферией - клава, диск, порты, таймер, и никакое ядро не даст по рукам, т.к. ядра как такового нет. Для меня это самое продуктивное сочетание в отношении конечного результата. В винде все это карается через повешанье.

На юних, пожалуй, у меня уже духу не хватит. Я дружил с фрей и систем5, а вот с линуксом че-то так и не смог.

_________________
И мню аз яко то имать быть, что сам себе всяк может учить.



sw1972 | Post: #118451 - Date: 31.05.08(11:14)
Какое удобство работы в DOS? Разве что можно обратиться непосредственно к портам - единственное её достоинство. Других достоинств у неё нет. С USB не работает
А то что система "по рукам не даёт" - это не очень хорошо.

Что касается графики, то для GNU/Linux есть библиотеки для создания виджетов. В системе реализованы многие системные вызовы UNIX, поэтому для знающего UNIX не составит труда перейти на GNU/Linux.
Есть куча сайтов, посвящённых ПО с открытыми исходниками, например, сайт opennet.ru, на котором найдёте кучу документации по программированию. Документации по программированию в GNU/Linux море. Сейчас GNU/Linux очень далеко ушёл вперёд. С командной строкой очень редко работаю. Операционную систему обновляю раз в полгода, ставлю свежий дистрибутив GNU/Linux. В посление годы отдаю предпочтение Ubuntu.

Удачи в работе с ДОС.
Понимаю, самая короткая дорога - знакомая. При нехватке времени это весьма существенно. Если технология отработана, тогда всё понятно.

_________________
Хорошее - враг лучшего



Eduard | Post: #118457 - Date: 31.05.08(12:43)
Короче, ты пока еще не делал дата-логгер 😀

Да, времени мало, технология отработана, программирую "руками" ( то есть, когда меня спрашивают, что надо нажимать, я говорю - не знаю, следите за моими руками 😀 ).

_________________
И мню аз яко то имать быть, что сам себе всяк может учить.



kriotron | Post: #118611 - Date: 02.06.08(11:57)
Народ, есть задача обмена инфой между устройствами на расстоянии 30 м. Как это реализовать и на чём, чтобы байты не выпадали и помехи не влияли. Интерфейс токовая петля как здесь собрать можно? Если можно, канэшна...

_________________
Не бойся делать то, чего не знаешь. Ковчег построил любитель - профи создали Титаник.



Eduard | Post: #118650 - Date: 02.06.08(16:11)
Конкретного решения у меня нет. Укажи желаемую скорость и ось, и нужна ли гальваническая развязка, тогда в общем плане подскажу. Вроде бы, из готового, для тебя RS485 что надо.

_________________
И мню аз яко то имать быть, что сам себе всяк может учить.



kriotron | Post: #118722 - Date: 03.06.08(05:59)
2 Eduard, скорость передачи данных: 9600 - 38400 б/с, интерфейс в устройствах RS232 (так уж получилось). Длина линии до 30-ти метров. Гальваническая развязка приветсвуется, т.к. микрохи фирмы MAX надёжные , но и они иногда дохнут. Чтобы RS485 использовать, чем-то сигналы надо сконвертить из 232 к 485, потом обратно. Лучше RS-422A как-нибудь привязать к моим обычным COM-портам.

_________________
Не бойся делать то, чего не знаешь. Ковчег построил любитель - профи создали Титаник.



Eduard | Post: #118762 - Date: 03.06.08(16:03)
Да вроде бы простой RS232 до километра позволяет...
Тут надо выделить два случая - либо с развязкой, либо нет. Без развязки - все втыкаешь и вперед 😀 С развязкой сложнее, оптроны тормозят. Та схема, что на заглавном посте, дает 19200, если достаточно - делай ее. Если надо больше, то, как мне советовали, применить оптроны пошустрее, может быть, 6N136 подойдут. Не проверял. Если на линии много помех, примени экранированный провод. Оставь запас с двух сторон по 1 метру для намотки продольного трансформатора. Это большое ферритовое кольцо (в принтерах и сканерах увидишь внутри), чем больше, тем лучше, ломаешь пополам, наматываешь кабель как есть, до отказа (витков 25 получится), кольцо склеиваешь. Или можно прям так мотать. Если связь двусторонняя, то лучше применить два отдельных кабеля, чем двойной в одной оплетке. Тонкий телевизионный вполне подойдет (толщиной 3 мм). Сильно не советую экранированный кабель, как делают для соединения видео к телевизору - полное г. На больших скоростях (115 кбитс и более) желательно на приемном конце повесить согласующимй резистор, равный волновому сопротивлению кабеля, чтобы избежать "звона" из-за отражений сигнала от концов. Но у тебя скорость низкая, можно об этом не беспокоиться.

Токовая петля была хороша опять же для небольших скоростей (до 9600), а если больше, то все равно требует согласования. Так что ток или напряжение - вопрос второй.

_________________
И мню аз яко то имать быть, что сам себе всяк может учить.



kriotron | Post: #118842 - Date: 04.06.08(08:20)
Ок. спасиб. попробую связать. Я так-то,хрень слепил типа rs485 (см. рис.) Тоже не плохо пашет, хотя без развязки и малость кастрированный.


Размер: 37.02 KB

_________________
Не бойся делать то, чего не знаешь. Ковчег построил любитель - профи создали Титаник.



Eduard | Post: #118885 - Date: 04.06.08(16:21)
Ну вот, сам лучше меня соображаешь 😀

_________________
И мню аз яко то имать быть, что сам себе всяк может учить.



yurec | Post: #118894 - Date: 04.06.08(16:49)
Eduard. С развязкой сложнее, оптроны тормозят.

Ползуйте ADUM1201. Развязка по гальванике - 2 КВ. Фронты измеряются нанасекундами. Питание - до 5 В. Даташит в инете.

_________________
Не позволяйте обманывать себя.



Andr | Post: #118938 - Date: 05.06.08(00:04)
Изолирующие конверторы
[ссылка]

Есть еще конверторы USB-RS485 (ИЗОЛИРОВАННЫЙ)
И USB-RS232 (ПОЛНЫЙ, НЕ ИЗОЛИРОВАННЫЙ)
Собственно драйвер формирует виртуальный СОМ порт на USB. а далее уже физическая реализация интерфейса.
Т.е. не нужно путать одно с другим.

Вообще-то это мой сайт и моя продукция (см. мои личные данные)



kriotron | Post: #118952 - Date: 05.06.08(06:35)
To Andr, молодца! Уважаю труды разработчиков.
Автоматика у вас полезная, для фирм и предприятий и не кусается по ценам.
Ближе к теме: конверторы мне приходилось использовать самых разных фирм и производителей (наших и забугорных). Все они строятся или на FT'шках + дифф. приемо-передатчик, либо на МК + тотже дифф.приемопередатчик. Ну или просто на одной FT или ей подобной микрохе. Большинство оборудования с тем же RS-232, не всегда использует этот порт только для передачи данных. Контроллер ЧПУ станка у нас перепрошивается только с нормального сом-порта, конверторы, увы, не рулят. Проблему с задержками не удалось решить, слишком много процедур и модулей в операционке на пути пакета данных. Для нестандартного режима работы сом-порта подходит только стандартный сом-порт или замена оборудования, хе-хе. А для передачи можно и ковертеры юзать, чттобы материнки не выгорали.
Извиняюсь за многа буквоф.😎

_________________
Не бойся делать то, чего не знаешь. Ковчег построил любитель - профи создали Титаник.



[ 1 | 2 ] [>
У Вас нет прав отвечать в этой теме.
Форум - Прочие идеи (разные) - Схемотехника - Помогите сделать быстрый RS232 - Стр 1

🏠 Главная | 📚 Содержание | 💬 Форум | 📁 Файлы | 📩 Контакт