[ВХОД]
26.05.26(11:05)

www.skif.biz

Альтернативная энергия. Оставь надежду, всяк сюда входящий...

🏠 Главная | 📚 Содержание | 💬 Форум | 📁 Файлы | 📩 Контакт
 
Резонансные генераторы
Магнитные генераторы
Механические центробежные (вихревые) генераторы
Электростатические генераторы
Водородные генераторы
Ветро- и гидро- и солнечные генераторы
Прочие идеи (разные)
О форуме
Транспорт
Оружие
Научные идеи, теории, предположения...
Экономия топлива
Коммерческие вопросы
Струйные технологии
Торсионные генераторы
Новые технологии
Барахолка
Патентный отдел
Конструкторское бюро
Нейтронная физика
Торнадо и смерчи
Гравитация и антигравитация
Сделай сам. Советы.
Медицина и здравоохранение

📱 | 🖨️

Форум - Научные идеи, теории, предположения... - идеи и теории, научные и бредовые... - Преобразователь энергий вращения с КПД>100%(реально сделать) - Стр:5
<] [ 1 | 2 | 3 | 4 | 5 | 6 | 7 | 8 | 9 | 10 ] [>
Модератор: missioner
Первый пост темы: missioner Post: #76315 От:04.08.2007 (13:47)
Здесь предлагаю высказаться по статье ,впервые опубликованной по адрессу [ссылка] ..Отвечать буду не часто.Нет времени на носу осень.
,деревня.Попытка патентования закончилась отрицательным ответом. Хотя модель иллюстрирующая происходящие в устройстве процессы работает,есть фильм,
Правка: На 9-й странице этого форума начинается отчёт о ходе изготовления прототипа: А в посте: [ссылка] я указываю свою основную ошибку в теорий работы этого девайса как только преобразователя энергий вращения.Однако есть немаленький шанс в преобразований девайса в своего рода машину Орифериуса,где силы Кориолиса будут помогать преодолевать равновесие сил гравитаций в двух половинках вертикально стоящего колеса......
Что я и буду наверное делать
Поэтому желающие ознакомиться с веткой могут начать непосредственно с указанной страницы и ошибки,ибо тем сэкономят своё время.Но если хотят узнать подробнее о гироскопических силах...то пусть читают всё
missioner | Post:102244 - Date: 22.02.08(05:30)
Slafka Пост: 102220 От 22.Feb.2008 (01:27)
бессмысленно спорить с людьми, которые не понимают минимума законов той среды, в которой пытаются зделать свои "открытия"...

[ссылка]

удачи.. кстати люди с ООО потом потребуют назад свои бессмысленно потраченные деньги , да и еще с процентами 😊
.
В дело вмешиваются динозавры от науки.Слава,может ты и случаи одновременного наблюдения тех же самых НЛО многими людьми объяснишь как массовое умопомешательство? Скажешь что и Бога нет? Пока существуют многие необьяснимые наукой вещи ,до тех пор люди будут пытаться эти вещи повторить. Попутно изобретая очень много полезного.А эти монстры от науки будут этими достижениями пользоваться а самих изобретателей шельмовать и присваивать их достижения. Кстати,ты пробовал когда-нибудь ездить на велосипеде и жёстко фиксировать руль в одном положений?.

_________________
Здесь хранится СЕ суперавтотрансгенератор https://www.skif.biz/index.php?name=Forums&file=viewtopic&p=875842#875842 https://disk.yandex.ru/d/T_H9tIHpXVb8dw Дополненная версия с видео: https://disk.yandex.ru/d/RUQMOtXIHzRo7Q


aL1 | Post:102250 - Date: 22.02.08(08:38)
вот небольшой пример Эффекта Кориолиса:


[ссылка]
Представьте, что кто-то, находясь на Северном полюсе, бросил мяч кому-то, кто находится на экваторе. Пока мяч летел, Земля немного повернулась вокруг своей оси, и ловящий успел сместиться к востоку. Если бросающий, целясь мячом, не учел этого движения Земли, мяч упал западнее (или левее) ловящего. С точки зрения человека на экваторе получается, что мяч летел левее, чем надо, с самого начала — как только его выпустил из рук бросающий, — и до тех пор, пока не приземлился.
так вот если бросать с северного на южный то мячик точно без отклонений попадет в южный полюс, это указывает на то что максимум силы Кориолиса будет находится на экваторе, а на полюсах менять свой знак, в нашем же случае полюса лежат на оси Y.


missioner | Post:102323 - Date: 22.02.08(19:44)
aL1 Вы не совсем полностью отображаете процесс .Начинайте рассматривать движение мяча от экватора. Для аналогий с моей конструкцией введите круговой желоб с диаметром Земли проходящий через полюса Земли.Желоб прикреплён к Земле и мяч бежит с постоянной скоростью по нему вкруговую.
НАЧИНАЕМ:Мяч побежал от экватора к полюсу. На экваторе мяч имел самую большую скорость движения вокруг оси Земли(заменяющей ось Y).С приближением к полюсу Земли его круговая скорость вокруг оси Земли ПРИНУДИТЕЛЬНО ЖЕЛОБОМ снижается.Мяч по инерций прижимается к одной из стенок желоба(силой Кориолиса).По достижений полюса скорость движения мяча вокруг оси Земли падает до нуля.Далее мяч безостановочно продолжает своё движение к экватору. Скорость его движения вокруг оси Земли принудительно желобом начинает увеличиваться и он из за своей инертности (это также называется силой Кориолиса) прижимается к стенке желоба.Немного поразмыслив Вы по-моему сами придёте к выводу что и при приближений к полюсу и при дальнейшем удалений от него в одном полушарий Земли мяч прижимается к одной стенке желоба а в другом полушарий к другой стенке.И максимум силы Кориолиса БУДЕТ ТАМ,ГДЕ МАКСИМАЛЬНОЙ БУДЕТ ПРОЕКЦИЯ СКОРОСТИ ДВИЖЕНИЯ МЯЧА НА ЛИНИЮ, ПРОХОДЯЩУЮ ЧЕРЕЗ МЯЧ И ОСЬ ЗЕМЛИ, ПЕРПЕНДИКУЛЯРНУЮ ОСИ Земли .Поразмыслив далее Вы поймёте что это участки желоба, приближённые к полюсам.

_________________
Здесь хранится СЕ суперавтотрансгенератор https://www.skif.biz/index.php?name=Forums&file=viewtopic&p=875842#875842 https://disk.yandex.ru/d/T_H9tIHpXVb8dw Дополненная версия с видео: https://disk.yandex.ru/d/RUQMOtXIHzRo7Q


missioner | Post:102325 - Date: 22.02.08(19:54)
missioner Пост: 102182 От 21.Feb.2008 (20:49)
И ещё. Езда на велосипеде.Все знают что движущийся велосипед не падает.А почему? Ответ всем физикам известен:эффект гироскопа.А вот каков механизм предотвращения падения велосипеда под действием гироскопических сил,скажет не каждый.Те,кто будет утверждать что гироскопические силы не дают развернуться плоскости вращения колеса в положение упавшего велосипеда смогут лично убедиться как были неправы когда при движений жёстко зафиксируют руль велосипеда в прямом направлений.Кто пробовал так делать знает как быстро падает такой велосипед. А кто ехал с отпущенным рулём,тот знает,что при начале падения управляющее колесо начинает само по себе поворачиваться в сторону падения. Далее в дело вступают центробежные силы действующие на ездока при движений по кругу.Велосипед выравнивается. Управляющее колесо поворачивается под действием сил Кориолиса в прямое положение.

После "Далее в дело вступают центробежные силы действующие на ездока при движений по кругу" надо добавить: "и те же самые силы Кориолиса,действующие на колёса поворачиваемые вокруг оси, перпендикулярной собственной оси вращения колеса(а такое происходит в колесе едущем по кругу)".

_________________
Здесь хранится СЕ суперавтотрансгенератор https://www.skif.biz/index.php?name=Forums&file=viewtopic&p=875842#875842 https://disk.yandex.ru/d/T_H9tIHpXVb8dw Дополненная версия с видео: https://disk.yandex.ru/d/RUQMOtXIHzRo7Q


missioner | Post:102346 - Date: 22.02.08(21:30)
aL1 Пост: 102250 От 22.Feb.2008 (08:38)
вот небольшой пример - Эффекта Кориолиса
Представьте, что кто-то, находясь на Северном полюсе, бросил мяч кому-то, кто находится на экваторе. Пока мяч летел, Земля немного повернулась вокруг своей оси, и ловящий успел сместиться к востоку. Если бросающий, целясь мячом, не учел этого движения Земли, мяч упал западнее (или левее) ловящего. С точки зрения человека на экваторе получается, что мяч летел левее, чем надо, с самого начала — как только его выпустил из рук бросающий, — и до тех пор, пока не приземлился.
так вот если бросать с северного на южный то мячик точно без отклонений попадет в южный полюс, это указывает на то что максимум силы Кориолиса будет находится на экваторе, а на полюсах менять свой знак, в нашем же случае полюса лежат на оси Y.



"Нетрудно понять, что в Северном и Южном полушариях сила Кориолиса действует на движущееся тело в прямо противоположных направлениях. Именно поэтому в Северном полушарии вихри циклонов кажутся закрученными против часовой стрелки, а в Южном — по часовой стрелке."

Приведённый абзац взят из той же статьи: [ссылка]

_________________
Здесь хранится СЕ суперавтотрансгенератор https://www.skif.biz/index.php?name=Forums&file=viewtopic&p=875842#875842 https://disk.yandex.ru/d/T_H9tIHpXVb8dw Дополненная версия с видео: https://disk.yandex.ru/d/RUQMOtXIHzRo7Q


missioner | Post:102352 - Date: 22.02.08(21:53)
Slafka Пост: 102220 От 22.Feb.2008 (01:27)
бессмысленно спорить с людьми, которые не понимают минимума законов той среды, в которой пытаются зделать свои "открытия"...

[ссылка]

удачи.. кстати люди с ООО потом потребуют назад свои бессмысленно потраченные деньги , да и еще с процентами 😊

Slafka, Вы такой грамотный,расскажите мне,глупому,как можно извлечь энергию двух сложившихся в противофазе волн одинаковой частоты и амплитуды движущихся в одном и том же направлений.Пусть эти волны имеют очень большую,ну прямо гигантскую, энергию.

_________________
Здесь хранится СЕ суперавтотрансгенератор https://www.skif.biz/index.php?name=Forums&file=viewtopic&p=875842#875842 https://disk.yandex.ru/d/T_H9tIHpXVb8dw Дополненная версия с видео: https://disk.yandex.ru/d/RUQMOtXIHzRo7Q


Slafka | Post:102357 - Date: 22.02.08(22:22)
вроде бы Вы привели "формулу" тишины 😊

missioner | Post:102413 - Date: 23.02.08(09:28)
Slafka Пост: 102357 От 22.Feb.2008 (22:22)
вроде бы Вы привели "формулу" тишины 😊

А если у нас вся вселенная заполнена этой вот "тишиной".Сквозь нас,вокруг нас проносятся ЭМ-волны гигантских амплитуд и мы не сгораем только потому что они имеют в себе другую такую же мощную но противофазную волну.И нам нужно всего-то чуть-чуть ума,чтобы из этой тишины эту энергию взять.А если сможем взять энергию одной из этих волн,то тут же даст знать о себе и энергия другой противофазной ей волны.Что если "вилка Авраменко" это самое и делает. А исследователи ентой самой кухонной утвари ломают головы над тем,почему провод по которому к вилке подаётся электричество от генератора не перегорает, когда по нему передаётся энергия, несовместимая с нахождением этого провода в твёрдом (нерасплавленном)состояний.Вилка-то выполняет роль такую же, какую выполняют вращения маховика вокруг двух осей в моей конструкций(не проверено).Это всего лишь спусковой механизм,позволяющий дозированно проявляться энергий вакуума.

_________________
Здесь хранится СЕ суперавтотрансгенератор https://www.skif.biz/index.php?name=Forums&file=viewtopic&p=875842#875842 https://disk.yandex.ru/d/T_H9tIHpXVb8dw Дополненная версия с видео: https://disk.yandex.ru/d/RUQMOtXIHzRo7Q


Валентин | Post:102436 - Date: 23.02.08(14:11)
missioner Пост: 102413 От 23.Feb.2008 (09:28)
А если у нас вся вселенная заполнена этой вот "тишиной".Сквозь нас,вокруг нас проносятся ЭМ-волны гигантских амплитуд и мы не сгораем только потому что они имеют в себе другую такую же мощную но противофазную волну.И нам нужно всего-то чуть-чуть ума,чтобы из этой тишины эту энергию взять.А если сможем взять энергию одной из этих волн,то тут же даст знать о себе и энергия другой противофазной ей волны.Что если "вилка Авраменко" это самое и делает. А исследователи ентой самой кухонной утвари ломают головы над тем,почему провод по которому к вилке подаётся электричество от генератора не перегорает, когда по нему передаётся энергия, несовместимая с нахождением этого провода в твёрдом (нерасплавленном)состояний.Вилка-то выполняет роль такую же, какую выполняют вращения маховика вокруг двух осей в моей конструкций(не проверено).Это всего лишь спусковой механизм,позволяющий дозированно проявляться энергий вакуума.


Кстати, идея с волнами в противофазе вполне имеет право на существование. Ведь если взять, например океан, то совокупность воды в нём можно формально описать суммой волн со спектром до бесконечности. В этом смысле волны есть, но волнения воды нет.

Слепые что не видите как ваш текст отображается?

aL1 | Post:102536 - Date: 23.02.08(22:24)
у меня только один вопрос к автору "когда будет опытный образец?"
а вопрос возник от того, что при большем желании обсуждаемую конструкцию можно зделать за один день. неспеша - пару дней. без наличия инструментов(когда приходится бегать и занимать) - неделя.
разговор на этом сайте ведется уж почти пол года, а сколько длилась переписка с фипсом известно только автору, так неужели стоит заморачиватся на переносе темы когда можно направить энергию в другое русло? а если указаная на видео конструкция ваших рук дело, то остается лиш немного ее доработать (чтобы убедить себя в ее неработоспособности)

missioner | Post:102541 - Date: 23.02.08(23:22)
Сначала попробую дождаться результатов из ООО.На днях вернули модель,которую я выслал им чтобы убедились в действительности описанных движений.Я тоже так думаю,что они могут уже в течение ближайшего времени создать прототип для проверки.Насколько вы сами можете догадаться,оба возможных исхода проверки приводят к очень большим ,возможно революционным результатам.Если механизм при преобразований будет поглощать энергию приводных устройств(тормозить)-это один результат,оторый задаст кучу вопросов современной физике,ну например вопрос на который Вы ответили:"ПЕРВОЕ,ЧТО ПРИХОДИТ В ГОЛОВУ..." в том числе и Вы можете смело создавать предлагаемый вами редуктор. Плюс к этому ,устройство явится прообразом безопорного движителя. Ведь в этом случае оно будет тормозить исключительно за счёт возвратно -поступательных движений поршней в цилиндрах(создавать однонаправленную тягу).А такое же невозможно!!! если верить официальной физике.Если не будет тормозить,то всё:"Перпетуум мобиле" есть,и очень простой по конструкций.Придётся признать и выдвинутую мной в статье теорию о происхождений и исчезновений энергий.Я поторопился выкинуть в интернет свой механизм после того как начались эти отказы ФИПСа мотивированные несуществующими,надуманными доводами как то и я говорил про них например: что я говорю в заявке что порщни должны двигаться к оси X или что устройство неработоспособно потому что у меня среднее образование.Но ШАРИКИ В МОДЕЛИ ДВИЖУТСЯ ВОЗВРАТНО-ПОСТУПАТЕЛЬНО с таким отчётливым рокочущим звуком и это самое главное доказательство работоспособности механизмов работающих на предлагаемом принципе.

_________________
Здесь хранится СЕ суперавтотрансгенератор https://www.skif.biz/index.php?name=Forums&file=viewtopic&p=875842#875842 https://disk.yandex.ru/d/T_H9tIHpXVb8dw Дополненная версия с видео: https://disk.yandex.ru/d/RUQMOtXIHzRo7Q


missioner | Post:102576 - Date: 24.02.08(08:50)
И ещё несколько моментов говорящих о реализуемости данного принципа. НЕОБРАТИМОСТЬ.
Скажите,есть ли в настоящее время устройство,которое нельзя превратить в его же антипод.Ну например,электромотор можно использовать в качестве генератора ,генератор в качестве электромотора,насосы шестерёнчатый, аксиальный можно использовать в качестве гидромоторов,центробежный насос легко может работать как турбина,турбина превращается легко в компрессор. Все эти устройства обратимы.Стоит только на выход, к примеру, ц.б.насоса подать под давлением жидкость,как тут же начинает вращаться его вал, создавая крутящий момент.
Переходим к моему насосу(или генератору,как хотите).Для того чтобы он при вращений вокруг оси Y работал,необходимо чтобы у него вначале имелоссь вращение оси X. Раскручиваем эту ось. И далее. Хоть сколько подавай на его выход давление или напряжения хоть какой причудливой формы---ось Y с места не сдвинется. Как я ранее уже говорил ,именно в этом свойстве,в необратимости,должно заключаться общее свойство всех сверхединичных устройств производящих дополнительную энергию в виде давлений или напряжений посредством вращений осей .

Ещё одно полезное свойство устройства:
Автоматическое регулирование мощности на выходе в зависимости от нагрузки.
В чём оно заключается.Допустим,что мы просто соединяем выход устройства со входом.В результате просто имеем обыкновенный прогон жидкости,электричества по кругу.Кстати, для электричества это уже короткое замыкание(Тут есть о чём поразмышлять в плане допустимости сравнения потоков жидкости и заряженных частиц,их аналогичности,у меня уже появились некоторые парадоксальные мысли,надо только продумать). И работа устройства под нагрузкой очень большой,когда жидкость или ток не может "пролезть" через нагрузку.Просто заткнули выход устройства заглушкой(Смотрите-для электричества-то работать с нагрузкой будет обозначать отсоединение от нагрузки).Поршни не могут преодолеть противодавление жидкости и остаются на местах.Устройство в этом случае превращается в обыкновенный гироскоп,вращаемый вокруг двух осей.А он,как известно сопротивления вращению ни одной оси ,кроме как сопротивление трения в подшипниках,не оказывает.Т.е.начинается холостой ход.

_________________
Здесь хранится СЕ суперавтотрансгенератор https://www.skif.biz/index.php?name=Forums&file=viewtopic&p=875842#875842 https://disk.yandex.ru/d/T_H9tIHpXVb8dw Дополненная версия с видео: https://disk.yandex.ru/d/RUQMOtXIHzRo7Q


NNN | Post:123495 - Date: 19.07.08(23:18)
*****************
missioner Пост: 80196 От 15.Sep.2007 (16:07)
....хотя бы кто-нибудь сможет обнаружить энергию однонаправленных .но противофазных волн одинаковой частоты и амплитуды но противофазных,в месте их максимального пересечения?Ведь в этом случае сама энергия должна себя проявить.Но никто её в этом месте не сможет обнаружить. Этим хочу сказать .что скорее всего энергия виртуальна.
******************


Эта энергия себя обязательно проявит, но только в "другом измерении"..., не в том в котором мы обычно ищем..
Слово "другое измерение" не совсем гипотетическое.., это немного другой взгляд на объект, с немного другого ракурса...
Вспомните фотографию..., в одном ракурсе это одно, а в другом - это просто супер!....

_________________
Nикогда Nе говори Nет


NNN | Post:123497 - Date: 19.07.08(23:59)
missioner Пост: 102576 От 24.Feb.2008 (08:50)
И ещё несколько моментов говорящих о реализуемости данного принципа. НЕОБРАТИМОСТЬ.
Скажите,есть ли в настоящее время устройство,которое нельзя превратить в его же антипод.Ну например,электромотор можно использовать в качестве генератора ,генератор в качестве электромотора,насосы шестерёнчатый, аксиальный можно использовать в качестве гидромоторов,центробежный насос легко может работать как турбина,турбина превращается легко в компрессор. Все эти устройства обратимы.Стоит только на выход, к примеру, ц.б.насоса подать под давлением жидкость,как тут же начинает вращаться его вал, создавая крутящий момент.....


Есть! И далеко ходить не нужно, это обыкновенный активный резистор, на котором выделяется тепло при пропускании через него тока...
Разве он работает наоборот????.. попытайтесь его нагреть, Вы, что получите ЭДС и полезную мощность на его выводах????
Так разве с этого нужно делать вывод, что обычный резистор это СЕ, из за того, что он не обратим?..

PS. Но из вышесказанного мной, не нужно делать выводы, что я против Вашей идеи, и что она неработоспособна..., на мой взгляд она довольна интересна и необходимо провести экспериментальную проверку.

_________________
Nикогда Nе говори Nет


missioner | Post:123504 - Date: 20.07.08(07:46)
NNN Пост: 123497 От 20.Jul.2008 (00:59)
missioner Пост: 102576 От 24.Feb.2008 (08:50)
И ещё несколько моментов говорящих о реализуемости данного принципа. НЕОБРАТИМОСТЬ.....


Есть! И далеко ходить не нужно, это обыкновенный активный резистор.....
Согласен.Я забыл добавить что говорил о широко известных механических устройствах в которых происходит взаимное превращение энергий давления жидкостей или газов в энергию вращения или наоборот.
Что касается электрогенераторов: Возможно,что в электрогенераторах ,где происходит пересечение проводом магнитных силовых линий также каким то другим
((не таким как у меня--взаимо-компенсационным когда само влияние тока в проводнике на взаимное передвижение магнита и проводника всё же остаётся но влияние,реакция на привод нейтрализуется ,что называется---на следующей стадий, чисто механически))
образом можно достичь необратимости и многие ветки форума также посвящены "ударам" в этом направлений.

_________________
Здесь хранится СЕ суперавтотрансгенератор https://www.skif.biz/index.php?name=Forums&file=viewtopic&p=875842#875842 https://disk.yandex.ru/d/T_H9tIHpXVb8dw Дополненная версия с видео: https://disk.yandex.ru/d/RUQMOtXIHzRo7Q


NNN | Post:123970 - Date: 23.07.08(22:17)
missioner Пост: 123504 От 20.Jul.2008 (08:46)

Пожскажите, пожалуйста, какие либо проверки Вашей идеи экспериментально проводились?
Потому как есть некоторые "непонятки" в чисто теоретическом представлении..
Можно пообщаться и по мылу или в Аське.

_________________
Nикогда Nе говори Nет


missioner | Post:123993 - Date: 24.07.08(04:06)
В "купле-продаже идей"(готов проспоснсировать ваш проект)я рассказывал об одном ООО,которое вызвалось изготовить модель,три,если не больше ,месяца делало прототип и когда я спросил их о результатах то внезапно "сгинуло" В предыдущих постах здесь я вроде бы ответил на многие возникающие вопросы.Есть фильм о работе иллюстрационной модели.

_________________
Здесь хранится СЕ суперавтотрансгенератор https://www.skif.biz/index.php?name=Forums&file=viewtopic&p=875842#875842 https://disk.yandex.ru/d/T_H9tIHpXVb8dw Дополненная версия с видео: https://disk.yandex.ru/d/RUQMOtXIHzRo7Q


missioner | Post:166649 - Date: 13.03.09(03:02)
Добавлю для желающих воплотить конструкцию в металле вордовский документ с описанием,как можно в конструкций применить маятниковый принцип,позволяющий нейтрализовать воздействие центробежных сил, с одновременным упрощением,позволяющим обойтись одним мотор-генератором как для начального привода оси X так и для последующей генераций после выхода на режим СЕ.
a99923.docx
Размер: 159.91 KB
88d537.doc
Размер: 176.50 KB

_________________
Здесь хранится СЕ суперавтотрансгенератор https://www.skif.biz/index.php?name=Forums&file=viewtopic&p=875842#875842 https://disk.yandex.ru/d/T_H9tIHpXVb8dw Дополненная версия с видео: https://disk.yandex.ru/d/RUQMOtXIHzRo7Q


missioner | Post:167343 - Date: 16.03.09(05:32)
Видимо появятся скоро с развитием нанотехнологий большие шансы у электрогенераторов на предложенном принципе с использованием пьезоэффекта: [ссылка]

_________________
Здесь хранится СЕ суперавтотрансгенератор https://www.skif.biz/index.php?name=Forums&file=viewtopic&p=875842#875842 https://disk.yandex.ru/d/T_H9tIHpXVb8dw Дополненная версия с видео: https://disk.yandex.ru/d/RUQMOtXIHzRo7Q


missioner | Post:179033 - Date: 07.05.09(01:13)
Изготавливаю потихоньку детали прототипа на предложенном в посте 166649 маятниковом принципе. За основу маятников планирую использовать крестовины вазовских карданов, буду делать 12 маятников (хотя чем больше подвижных элементов тем,по-моим прикидкам, должно быть лучше). При большем количестве сильно габариты придётся увеличивать,не всякий станок справится. На снимках полуфабрикаты кронштейнов маятников


Размер: 131.70 KB
Чертёж кронштейнов
Чертёж кронштейнов
Размер: 45.80 KB

_________________
Здесь хранится СЕ суперавтотрансгенератор https://www.skif.biz/index.php?name=Forums&file=viewtopic&p=875842#875842 https://disk.yandex.ru/d/T_H9tIHpXVb8dw Дополненная версия с видео: https://disk.yandex.ru/d/RUQMOtXIHzRo7Q


missioner | Post:180468 - Date: 15.05.09(01:24)
Диск,куда планирую установить кронштейны
Диск для 12 кронштейнов
Диск для 12 кронштейнов
Размер: 15.81 KB


Размер: 84.68 KB

_________________
Здесь хранится СЕ суперавтотрансгенератор https://www.skif.biz/index.php?name=Forums&file=viewtopic&p=875842#875842 https://disk.yandex.ru/d/T_H9tIHpXVb8dw Дополненная версия с видео: https://disk.yandex.ru/d/RUQMOtXIHzRo7Q


missioner | Post:181759 - Date: 22.05.09(18:10)
По ходу дела появились новые мысли.Можно ведь силы Кориолиса в двухосевом маховике заставить переключать положение магнитов в каком-нибудь магнитном двигателе,что расположить в маховике.Тогда этот магнитный двигатель по-моему,будет очень резво вращаться,гораздо эффективнее чем то,что я сейчас пытаюсь сварганить.Осталось только кому-нибудь разработать схему. Сам пока не стану переключаться с одной конструкций на другую,токаря-фрезеровщики-координатчики не так поймут😏😎

_________________
Здесь хранится СЕ суперавтотрансгенератор https://www.skif.biz/index.php?name=Forums&file=viewtopic&p=875842#875842 https://disk.yandex.ru/d/T_H9tIHpXVb8dw Дополненная версия с видео: https://disk.yandex.ru/d/RUQMOtXIHzRo7Q


missioner | Post:183566 - Date: 03.06.09(04:25)
Изготовлены рычаги(лежат в виде лучей)
Собранный маятник(пока ещё без груза)в кронштейне
 Собранный маятник(пока ещё без груза)в кронштейне
Размер: 30.80 KB
Длинные (наружные) рычаги
Длинные (наружные) рычаги
Размер: 51.30 KB
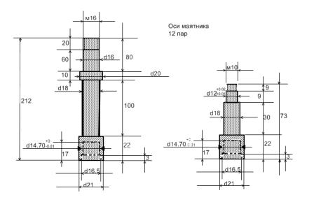
Чертежи концов маятника
 Чертежи концов маятника
Размер: 22.83 KB

_________________
Здесь хранится СЕ суперавтотрансгенератор https://www.skif.biz/index.php?name=Forums&file=viewtopic&p=875842#875842 https://disk.yandex.ru/d/T_H9tIHpXVb8dw Дополненная версия с видео: https://disk.yandex.ru/d/RUQMOtXIHzRo7Q


eptv | Post:183659 - Date: 03.06.09(21:38)
Блин круто это все, но ей богу проще было в SolidWorks сначала проверить.
Делали?

missioner | Post:183704 - Date: 04.06.09(01:35)
Я же писал про изготовленную работающую иллюстрационную модель и видео о нёй

_________________
Здесь хранится СЕ суперавтотрансгенератор https://www.skif.biz/index.php?name=Forums&file=viewtopic&p=875842#875842 https://disk.yandex.ru/d/T_H9tIHpXVb8dw Дополненная версия с видео: https://disk.yandex.ru/d/RUQMOtXIHzRo7Q


<] [ 1 | 2 | 3 | 4 | 5 | 6 | 7 | 8 | 9 | 10 ] [>
У Вас нет прав отвечать в этой теме.
Форум - Научные идеи, теории, предположения... - идеи и теории, научные и бредовые... - Преобразователь энергий вращения с КПД>100%(реально сделать) - Стр 5
🏠 Главная | 📚 Содержание | 💬 Форум | 📁 Файлы | 📩 Контакт